TENNESSEE EQUIPMENT MODERATED NEWSGROUP AND LIST   >   Midwest   >   Wisconsin   >   Publications   >   Andrew - arrestor plus® dual band surge arrestor

Andrew - arrestor plus® dual band surge arrestor


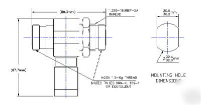
Andrew - Arrestor Plus® Dual Band Quarterwave dc Passing Surge Arrestor (T-shaped), 806–960 MHz and 1700–2170 MHz, with interface types DIN Female Bulkhead and DIN Female.
1710 – 2000 MHz | 2000 – 2170 MHz | 806 – 960 MHz
Lightning Strike Capability Test Method
Lightning Strike Capability Waveform
Lightning Strike Current Waveform
Click on image below to enlarge.
MIL-STD-202, Method 101, Test Condition B
MIL-STD-202F, Method 213B, Test Condition C
Moisture Resistance Test Method
-40 °C to +100 °C (-40 °F to +212 °F)
-70 °C to +150 °C ( -94 °F to +302 °F)
MIL-STD-202, Method 107, Test Condition A-1, Low Temperature -55 °C
Attenuation, Ambient Temperature
Average Power, Ambient Temperature



Andrew - arrestor plus® dual band surge arrestor Andrew - arrestor plus® dual band surge arrestor